学院首页 > 人才培养 > 本科生培养 > 通知公告 > 正文

【机情无限 精彩毕设】机械2025届毕业设计(论文)中期检查优秀案例分享第三期——60t/15t-15m桥式起重机金属结构及起升机构设计计算

发布时间:2025.04.12 | 编辑: 李艳梅

 

学生姓名:廖洪锐

班级:机械2021-06班

指导教师:向维

毕设题目:60t/15t-15m桥式起重机金属结构及起升机构设计计算  

                                                                                                                                       

 

 

一、概况

1. 选题意义

起重运输机械作为物料搬运工具,在现代化生产中占有重要地位。桥式起重机是工厂车间必不可少的搬运设备,可有效提高生产率、减轻工人劳动强度。起升机构是桥式起重机的主要工作机构,起升机构各零部件的合理选择及设计是起重机安全及有效地完成起重工作的保障。对于箱形的桥架结构,目前多采用传统力学方法进行结构设计计算,但传统计算方法较为繁琐。采用有限元等现代设计计算方法,对起重机金属结构按实际情况建立空间计算模型,从而进行结构的强度、刚度计算是目前起重机结构设计计算的发展方向。

2. 任务分解

(1)查阅资料,确定起升结构各部件参数或型号。

(2)绘制起升机构自设计部件图纸与总装图纸。

(3)查阅资料,确定桥架参数与主梁金属结构参数。

(4)通过计算分析,验算桥架的静强度、静刚度与动刚度、疲劳强度与局部稳定性。

(5)通过软件ANSYS建模仿真验算桥梁的静强度、静刚度与动刚度并对比计算结果。

二、已完成工作

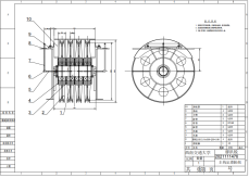
1. 起升机构各部件参数计算与选型已经设计完成

 

起升

倍率

起升高度

起升速度

卷筒型号

滑轮型号

吊钩型号

电动机

减速器

制动器

主钩

5

20m

6m/min

A 450x4388-69x27-20x5-左 JB/T 9006.2-1999

LGS13.0x630-230-100

LY50-M

YZR355M

QJS500-50IIICW

JB/T8905.1-1999

YW500-1250

副钩

3

22m

10m/min

A 300x3098-68x19-22x3-左 JB/T 9006.2-1999

LGS9.0x400-140-70

LM12-M

YZR250M1

QJR450-16IIICW

JB/T 8905.1-1999

YW315-500

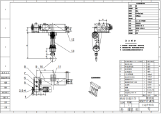
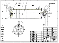
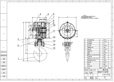
2. 起升机构各部分设计图与总装图已完成

 

 

主起升机构及其部件图

3. 桥架参数计算已完成

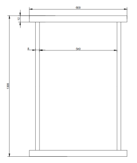
主梁两根,小车重(包括起升机构各部分重量)25t,主梁材料Q345,经过计算,单根主梁自重232.71kN,主梁箱型截面尺寸如下图所示:

 

4. 桥架金属结构计算

静强度校核:第四强度理论最大应力计算为,许用应力为200MPa;

静刚度校核:最大挠度为0.000216m,许用最大挠度为0.02m;

动刚度校核:满载自振频率为3.58Hz;

疲劳强度校核:考虑动载效应最大应力为193.23MPa,疲劳许用应力

局部稳定性校核:

5. ANSYS有限元分析结果对比

(1)静强度:

 

应力最大值为53.4MPa

(2)静刚度:

 

最大挠度值为0.000462m

(3)动刚度:

 

满载自振频率为5.7284Hz

 

三、下一步工作计划

1. 继续优化设计图,改善其中的细节问题,若有必要,可以增加或删减设计图。

2. 整理计算结果,确保其中没有计算错误。

3. 整理毕业设计研究过程,撰写毕业论文并持续优化。

    

 

问题一:有限元分析仿真过程是怎样的?

回答:主梁采用BEAM188梁单元,在截面特性定义时采用自定义箱型截面尺寸,总长15m,两端施加全向约束,网格划分为0.5m,距离两端5.5米两点各施加轮压载荷,主梁中心点添加3D MASS单元模拟吊重质量便于验算动刚度,在这时候即可计算分析。

问题二:主梁使用梁单元是如何添加加劲肋的?

回答:在局部稳定性分析过程中,我计算得应在梁全长设置横向加劲肋,并同时在受压区设置一道纵向加劲肋,但在有限元分析过程中我考虑到梁单元不便添加这一结构,于是并没有添加,这可能是导致有限元分析与计算结果偏差的原因,后续我将采用SHELL壳单元建模分析以提高有限元分析的准确度。

 

在这次答辩过程中,在老师的点评下,我知晓了我当前设计过程中的不足,清楚了下一步的工作内容,我将依此优化我的进度安排,争取进一步完善我的毕业设计。